Technicky vyspělá přepěťová ochrana s plynovým iskřičem fungujícím jako ochrana proti přepětí třídy B a C. Je špičkovým a inovativním řešením ochrany před bleskem pro fotovoltaické instalace.
2190,00Kč s DPH
Skladem - můžete mít 08.05.2026 - 13.05.2026
-
Doručení zdarma od 2 500 Kč do 10 kg
-
Férové ceny
-
Kvalita zaručena
-
Značkové zboží
DC Přepěťová ochrana T1T2 3P VCX pro fotovoltaiku 1000V (B+C) 12,5kA
Technicky vyspělá přepěťová ochrana s plynovým iskřičem fungujícím jako ochrana proti přepětí třídy B a C. Je špičkovým a inovativním řešením ochrany před bleskem pro fotovoltaické instalace.
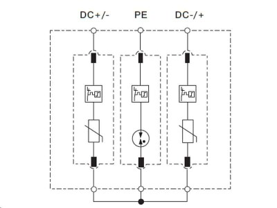
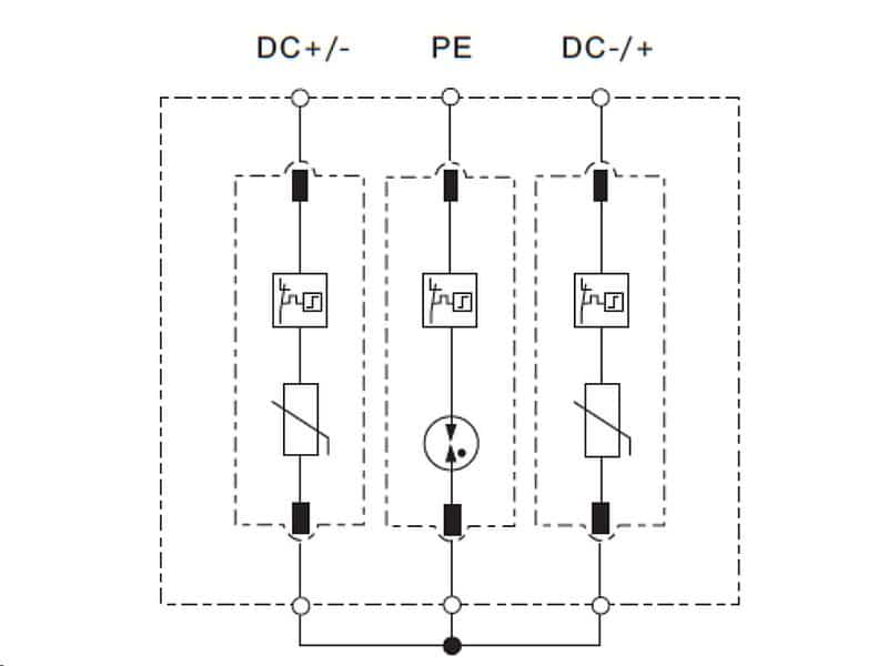
Přepěťová ochrana pro fotovoltaiku, která je vyrobena pomocí speciálního varistoru s vysokým průtokem (MOV) a plynového iskřiče (GDT). Použití jednoho nebo dvou varistorů proto může splnit standardy, které jiní výrobci potřebují k dosažení více varistorů. Použitím menšího počtu varistorů se zmenší velikost přepěťové ochrany pro fotovoltaiku. Přepěťová ochrana je široká 18 mm/1 pól a celková šířka 3 pólů je pouze 54 mm.
Přepěťová ochrana pro fotovoltaiku je vybavena varistory (MOV) v modulech DC+ a DC- a plynovým iskřičem (GDT) v modulu PE, což účinně eliminuje problém stárnutí varistorů vlivem tzv. svodového proudu a provozního proudu.
Vlastnosti:
• Speciální varistor s vysokým průtokem.
• Plynová výbojka (GDT) v modulu PE.
• Patentovaný systém výřezů.
• Základna ve tvaru písmene Y.
• Mimořádně přesná a pokročilá vnitřní struktura.
• Vyrobeno technologií varistor-iskřič (MOV+GDT+MOV).
Přepěťová ochrana DC je vybavena varistory (MOV) v modulech DC+ a DC- a plynovým iskřičem (GDT) v modulu PE, což účinně eliminuje problém stárnutí iskřiče vlivem tzv. svodového proudu a provozního proudu. Přepěťová ochrana pro fotovoltaiku VCX je vybavena vizuálním indikátorem provozu (zelená - ochrana, červená - bez ochrany).
Technické údaje:
- Třída ochrany: T1 T2
- Ochranný prvek: varistor-iskřič (MOV+GDT+MOV)
- Připojení max: 35 mm2
- Jmenovité provozní napětí: Un 1000V DC
- Maximální provozní napětí: Uc 1060V DC
- Testovací proud: In(8/ 20) 25 kA
- Maximální proud: Imax(8/20) 50 kA
- Impulzní proud: Iimp(10/350) 12,5 kA
- Napěťová ochrana: <4,75 kV
- Skladovací teplota: -30/+70°C
- Teplota pracovního prostředí: -30/+50°C
- Ochrana krytí: IP 20
Ke stažení
Prohlášení o shodě
| Hmotnost | 0,2 kg |
|---|---|
| Impulzný prúd |
Iimp(10/350) 12,5kA |
| Maximálny prúd |
Imax(8/20) 50 kA |
| Maximálne napätie |
Un 1000V DC |
| Výrobca |
VCX |
| Trieda ochrany |
T1 T2 (B+C) |
| Počet pólov |
3 |
Podobné produkty
Ochrana kabelů UV odolná, 25mm, 750N
In stock
PROJOY PEFS FVE požární spínač PEFS-EL40-4
In stock
Optimalizátor výkonu TIGO TS4-A-O 700W
In stock
Solární kabel 4mm² H1Z2Z2-K – 100m černý/červený
In stock

Fotovoltaické profily
Háky a úchyty na střechu
Uzemnění FV systému
Solární kabely
Příslušenství

Pro domácnosti
Pro firmy
Pre domácnosti
Pre firmy
Recenze
Zatím zde nejsou žádné recenze.