Regulátor přebytků GBO-Aku (3f)
Řídicí jednotka GBO-Aku pro plynulou regulaci přebytků z fotovoltaické elektrárny. Plynulá regulace přebytků pomocí až 6 externích SSR relé. Skoková regulace až 5 externích relé/ kontaktorů. Vytěžovač přebytků zaručí rychlou návratnost investice do fotovoltaiky. Je třeba dokoupit 3f proudové snímače.
7190,00Kč s DPH
Skladem - můžete mít 08.05.2026 - 15.05.2026
-
Doručení zdarma od 2 500 Kč do 10 kg
-
Férové ceny
-
Kvalita zaručena
-
Značkové zboží
Regulátor / vyťažovač přebytků GBO-Aku (3f)
GreenBono je skvělým doplňkem každé fotovoltaické elektrárny s bateriemi, i bez nich. Zajišťuje, aby byla vaše sestava vždy vytížena a nepracovala na minimální výkon.
Často se stává, že baterie jsou nabité, v domě je dostatek energie a fotovoltaická elektrárna okamžitě začne omezovat výkon, protože nemá kam dodávat energii. V takových případech vám pomůže vyťažovač přebytků GreenBono AKU, který hned po nabití baterií plynule přesměruje energii například do elektrického kotle, akumulační nádrže, ohřívače bazénu atd.
Regulátor "GBO-Aku" je navržen tak, aby dosáhl maximálního možného využití vlastní vyrobené elektřiny i s kombinací virtuální baterie a to tím, že přebytky nespotřebované energie automaticky přesměruje na ohřev vody v bojleru/ zásobníku a pomůže vám spotřebovat co nejvíce vyrobené elektřiny na místě. Může být použit nejen jako wattový router pro elektrárny připojené k síti, ale i jako "vyťažovač" pro hybridní, ostrovní a mikrosíťové elektrárny.
Je třeba dokoupit třífázové proudové snímače. Snímače najdete zde.
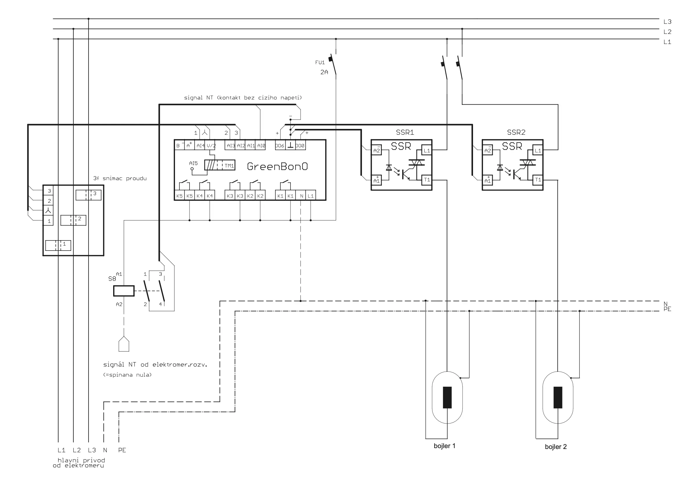
Schéma zapojení:
GBO-Aku regulátor umí pracovat v režimu "wattrouter" nebo "vyťažovač". Rozdíl mezi těmito dvěma režimy provozu je stručně vysvětlen v následující tabulce:
Režim "Wattrouter" | Režim "vyťažovač" | |
Pokud se používá: | Na místech, kde jsou průtoky do distribuční sítě. | Na místech, kde neexistují průtoky do distribuční sítě |
Ako se tam chová měnič: | Z fotovoltaických panelů vytěží maximum. | Bere z panelů jen tolik, aby pokryl okamžitou spotřebu objektu. |
Jaká je úloha regulátora: | Zachytává a využívá elektrickou energii, která by jinak unikala do sítě. | Donutí měnič, aby z fotovoltaických panelů vytěžil maximum. |
| Napájecí napětí: | 230V 50Hz (nutné je připojení na tu fázi, na kterou je vyvedena FVE) |
| Povolené napětí na svorkovnicích: | - horní svorkovnice (vedle LED diod): 5V DC - dolní svorkovnice (napájení regulátoru a kontakty relé): 250V 50Hz |
| bipolární analogové vstupy: | 3 vstupy, rozsah {-2,5V ... +2,5 V DC} (proti svorce Vcc/2 ) 10 bit D/A převod, pro externí proudové transformátory + volitelně: jeden vestavěný proud. transformátor 0 ... 12A~ (pro jednofázovou verzi) |
| unipolární analogové vstupy: | 2 vstupy, rozsah {0V ... +5,0 V DC} (proti svorce GND ) 10 bit D/A převod, pro snímače napětí a proudu baterie |
| digitální (dvoustavové) vstupy: | 1 vstup 0/5V, (proti svorce GND ) pro načtení signálu NT bezpotenciálovým kontaktem |
digitální výstupy pro plynulé řízení výkonu:
| 6 výstupů s řídícím signálem 5V/20mA: (pro externí SSR)
1.) (standardně) pro SSR (solid state relay) se spínáním v nule (pulsní modulace), volitelně:
2.) nebo (pomocí firmwaru "phctrl") pro SSR s okamžitým spínáním (fázové řízení (*) - toto provedení nevytváří flikr, generuje ale vyšší harmonické) každý jeden výstup může ovládat 2 SSR doporučeného typu (s odběrem řídící elektrody 8,5mA/5V), a dokáže tak symetricky řídit 3-fázový spotřebič |
reléové výstupy:![]() | celkem 5 relé, každé se spínacím kontaktem 230V~/5A: 4 x relé pro postupné připojování zátěže 1 x relé (K5) s volitelnou funkcí: spínací hodiny, páté relé kaskády, nebo indikace přebytků |
| ostatní výstupy: | výstup +5V/20mA pro napájení proudového DC snímače |
| datové rozhraní pro komunikaci s PC: | RS485, protokol MODBUS, (9600,8,N,1) |
| regulace spotřeby přebytků z FVE: | prozatím je v prvním stupni každé fáze plynulé řízení příkonu 0 ... 100% (v jednofázové verzi až kaskáda tří plynule řízených spotřebičů), výhledově bude v prvním stupni každé fáze kaskáda dvou plynule řízených spotřebičů, v jednofázovém provedení kaskáda až šesti plynule řízených spotřebičů v dalších stupních připínání neregulovaných spotřebičů se současnou regulací v prvním stupni |
| galvanické oddělení: elektrická pevnost mezi elektronikou (5V DC - horní svorkovnice) a silovou částí (230v AC - dolní svorkovnice): | 4kV 50Hz, 1 minuta |
| stupeň krytí (ČSN EN 60529): | IP 20 |
| Doporučené prostředí (ČSN 33 2000-3): | třída AB4 (-5...40°C, 5...95% rel.vlhkosti) |
| Přípustné skladovací podmínky: | -15...70°C, 5...95% rel.vlhkosti |
| rozměry [mm] (š,v,hl): | 105 x 95 x 59 (skříňka MODULBOX 6M) |
Podobné produkty
Trojfázový smartmeter Huawei DTSU666-H 100A
In stock
Hybridní 8kW, SolaX X3-8.0-D G4, Wifi
In stock
Jednofázový Huawei SUN2000-3.68KTL L1, 2x MPPT
In stock
Sofar Solar 4.4 KTL-X-G3
In stock
Hybridní 8kW GoodWe GW8K-ET PLUS
In stock
Huawei SUN2000-8KTL-M1 HC 8000 W
In stock
Sofar Solar 6.6 KTL-X G3
In stock
Huawei LUNA 2000 Power control modul + 10 kWh bateriový blok
In stock
Sofar Solar 5.5 KTL-X G3
In stock

Fotovoltaické profily
Háky a úchyty na střechu
Uzemnění FV systému
Solární kabely
Příslušenství

Pro domácnosti
Pro firmy
Pre domácnosti
Pre firmy




Recenze
Zatím zde nejsou žádné recenze.